오늘은 저항(Resistance)의 직렬연결, 병렬연결에 대해서 알아보겠습니다.
매우 쉽다고 생각할 수 있습니다만, 전기, 전자 처음 입문하면 어려운 것이 저항입니다.
중학교 과학시간에 시험 부분으로도 나오기 좋은 부분이니 확실하게 개념 챙기시길 바랍니다.
저항의 직렬연결, 병렬연결
저항의 직렬연결
직렬연결 뜻
저항들이 직선으로 일렬로 연결되어 있는 것이 직렬연결입니다.
직렬연결 기호, 계산법
직렬의 기호는 '+' 더하기 기호입니다.
왜냐하면 계산법도 더하는 것이기 때문입니다.

Q. 이 둘의 합성 저항은 몇일까요?
A. 두 개를 더하면 됩니다. 2+3=5입니다.
저항의 병렬연결
병렬연결 뜻
저항이 분기점이 생기도록 여러 갈래로 연결된 것이 저항의 병렬연결입니다.
저항의 병렬연결 기호, 계산
병렬연결의 기호는 '//'을 사용합니다. 표시는 (A//B)로 표시합니다.
{A//B) 일 때
어렵게 생각하지 마시고, 분수로 더하기 분의 곱하기입니다.
말로 이해하시면 훨씬 와닫는 식입니다.
예제

예시 1번 계산
(2//3)=
계산값을 6과 병렬 계산을 해봅시다.
(1.2//6) =
예시 1번을 살펴봅시다.
저항이 3개일 때는 2개씩 끊어서 계산하셔야합니다.
저항 2개씩 순서대로 하시면 됩니다. 순서는 무엇을 먼저해도 똑같습니다.
즉 2와 6을 먼저 병렬 계산 하고, 3을 나중에 해도 같은 결과가 나옵니다.
보충설명이 필요하신 분들은 예시 2번을 보시길 바랍니다.
예시 2번 계산
(7//3) 일 때
a, b자리에 병렬 연결된 저항값을 넣으면 됩니다.
더하기분의 곱하기라고 생각하시면 가장 이해하기 쉽습니다.
응용 예제

#R 뒤에 붙어있는 T는 total(합계)라는 뜻입니다. 보통 어떤 것의 합을 구할 때 자주 쓰는 약어입니다.
앞으로 자주 사용할 용어이니 친하게 지내시길 바랍니다.
푸는 방법 2개만 알려줬더니 무슨 저항 몇 개를 들고 오는 건지 예제가 양심이 없습니다.
하지만 우리가 배운 것만으로도 충분히 풀 수 있습니다.
먼저 문제를 풀어보시고, 아래 답을 확인해 주시길 바랍니다.
풀이과정

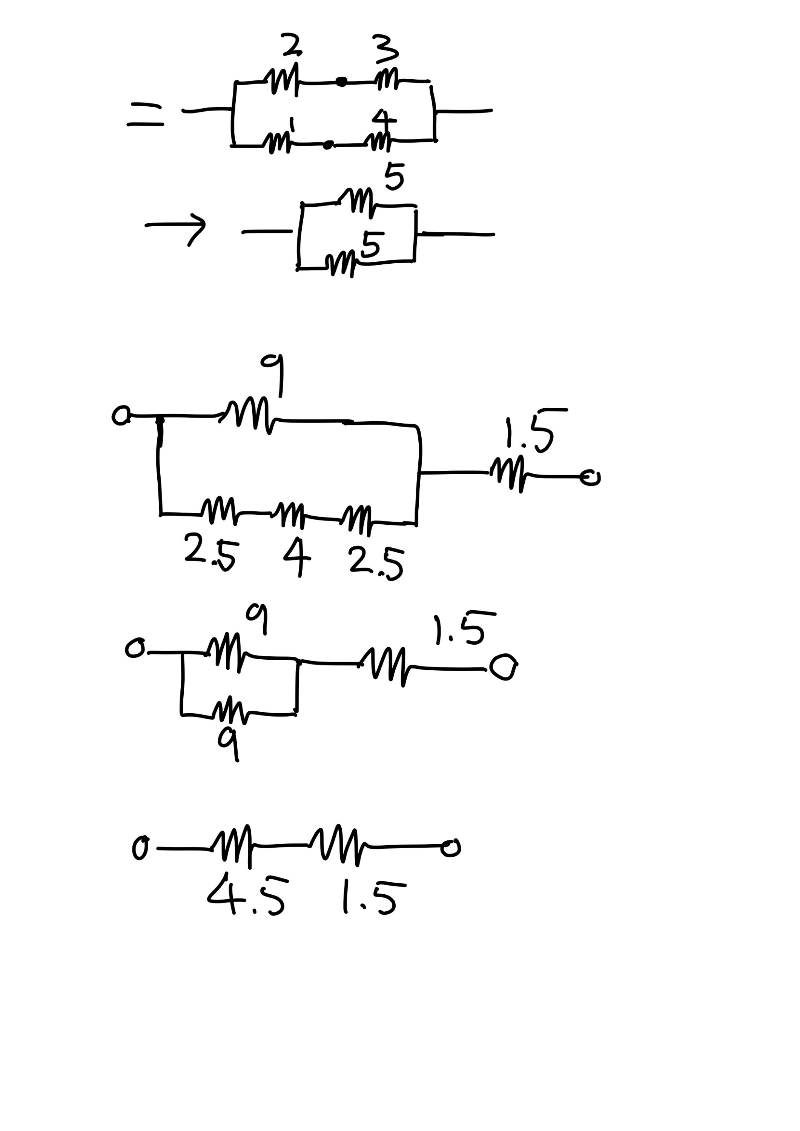
1. 아랫줄에 있는 저항들을 3개로 정리합니다.
2. 아랫줄에 있는 저항들의 합( + + )을 구합니다.
2.5 + 4 + 2.5 = 9 입니다.
아랫줄에 R1, R2, R3들은 직렬연결이 되었음으로 더하는 것입니다.
3. 9와 와 병렬연결을 진행합니다.
=
4. 4.5와 의 합을 구합니다.
최종 답
R1는 저항이 1개니깐 바로 나옵니다.
R2도 병렬연결이니깐 바로 계산만 하면 나옵니다.
R3는 뭘까요? R3의 트릭은 선 각도가 다이아몬드 그림이라는 것입니다.
선이 어느 모양이든 계산엔 변함이 없습니다.
프로그램에선 이런 부분이 표현되기 어려워서 직접 그려서 출제했습니다.
R3의 과정부터 문제풀이는 말보다 그림으로 보충설명하겠습니다.
아래 그림으로 다음 풀이를 살펴보겠습니다.

병렬저항 속 직렬을 먼저계산하고, 다음 병렬연결을 계산해서 다시 직렬연결과 더합니다.
답은 6입니다.
맺음말
저항이 엄청 많은 회로라 하더라도 합칠 수 있는 계산만 하시면 저항 1개와 다른 것이 없습니다.
이 글로 저항의 직렬, 병렬연결은 확실하게 잡고 가시길 바랍니다.
오늘도 고생하셨습니다. 다음 포스팅에서 만나겠습니다.
'회로이론 > 처음해보는 회로이론' 카테고리의 다른 글
| 기초 회로 이론 5. 전압은 병렬, 전류는 직렬일 때 값이 같다 (0) | 2023.03.12 |
|---|---|
| 기초 회로 이론 4. 용어 정리(전위, 전위차, 전압, 기전력, 전압강하) (0) | 2023.03.12 |
| 기초 회로 이론 3. 옴의 법칙(feat. 전류의 보충설명) (0) | 2023.03.11 |
| 기초 회로 이론 1. 회로의 구성 요소 (2) | 2023.03.08 |
| [회로 이론 기초편] 포스팅 목차 가이드 (5) | 2023.03.07 |
댓글